
應用領域:汽車鋁壓鑄殼體類零件的螺孔加工。鋁合金箱體類連接螺紋加工。
產品特點:壽命超長,上機連續工作兩個月不換刀;產線自動化生產,質量穩定可靠。加工出螺紋光潔度好,尺寸精度合格,尤其是螺紋小徑尺寸穩定可控。
加工后 局部圖展示
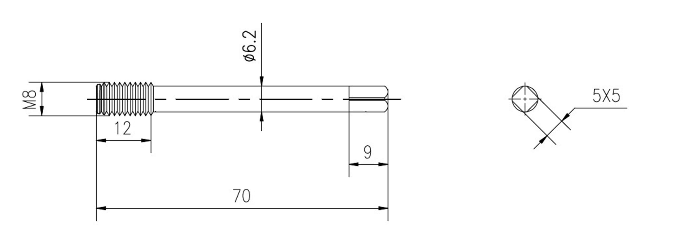
現場加工使用的絲錐
加工設備:哈斯VSS 轉速:2500r/min 底孔直徑:φ6.9孔深:23 有效螺紋深度:21
工件屬性:澆鑄鋁件
加工內容:4個通孔
切削參數、設備、冷卻條件相同
全國服務熱線