



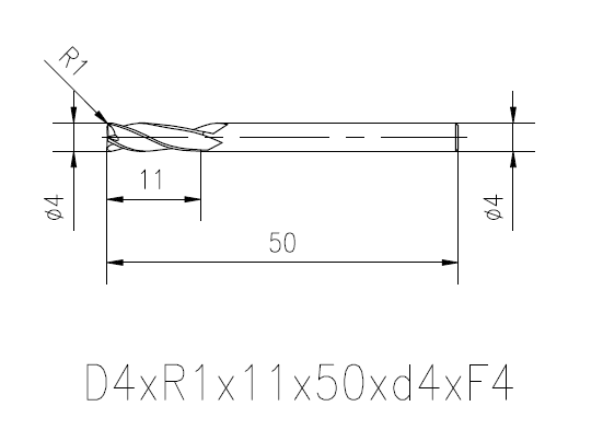
產品名稱:四刃圓鼻立銑刀
產品牌號:D4-R1-11-50-d4-F4
產品描述:結構尺寸符合國家JB/T 7966標準
產品材質:硬質合金
產品涂層:TiALN
最小起訂量:1支 適用用場合:槽銑、側銑、插銑
適用材料:鋼件、鑄件、不銹鋼的加工
400-029-2733
產品名稱:四刃圓鼻立銑刀
產品特性/product characteristics:
適用于普通鋼件、鑄件、不銹鋼(≤48HRC)的半精加工、粗加工、金屬去除率高。
獨特的U型槽設計,保證切刃穩定性,實現平穩切削。
較大螺旋角及合理排屑槽設計,產生細短切屑,排屑順暢,有效散熱。
精準鈍化處理對抗夾砂、不崩刃、不打刀、提升壽命。
切削參數推薦:
鋼件
ap=1-1.5D
Vc=130-180m/min
ae=0.12-0.15D
vf=1000-2000mm/min (d12-d3)
鑄鐵
ap=1-1.5D
Vc=140-160m/min
ae=0.12-0.15D
vf=1100-1700mm/min (d12-d3)
不銹鋼
ap=1.5D
Vc=130m/min
ae=0.15D
vf=1100-1400mm/min (d12-d3)
注意事項:
1.以上參數適合鋼性較高的機床和刀柄;
2.請根據具體加工工況,適當調整轉速、進給、切深、切寬。
全國服務熱線