



應用- 車削加工- 仿形加工- 割槽加工 切斷加工
聯系電話:18706856083
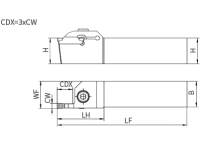
MCD系列刀桿采用類W型式(W形+圓弧壓緊)壓緊定位結構,有效保證加工穩定性。
刀桿型式種類多可根據不同需求進行定制,滿足不同工況使用。 MCD系列刀桿由用于加工外圓結構特征,端面結構特征和內孔結構特征的刀桿及MCD系列刀片組成。
采用全新納米結構的PVD涂層。
硬質合金基體具有較高的熱硬性和抗塑性變形能力。
通過特殊技術的處理,進一步增強耐熱性能。
適用于不銹鋼、高溫合金等材料。
400-029-2733
全國服務熱線